Connexion électrique standard avec double interrupteur
Disjoncteur/fusible côté installation

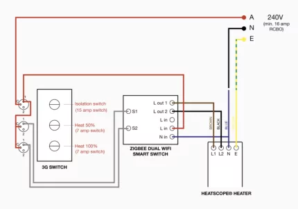
Connexion WiFi Smart Switch avec triple interrupteur
Vers l'APP eWeLink via BLUETOOTH
AVANT DE COMMENCER – VEUILLEZ VOUS ASSURER QUE L'INTERRUPTEUR WIFI EST CONNECTÉ AU RADIATEUR EN SUIVANT :
Schéma de câblage pour les modèles suivants :
- Spot 2800W : HTS.1.SPT.28.BL, HTS.1.SPT.28.WH
- Vision 3200W: HTS.1.VIS.32.BL, HTS.1.VIS.32.WH
- Pure 3000W : HTS.1.PUR.30.BL, HTS.1.PUR.30.WH

© MHS Munich Home Systems GmbH. Sous réserve de modification de toutes les informations, données techniques, impression et erreurs typographiques.
APRÈS CONFIRMATION DES ÉLÉMENTS CI-DESSUS, ALLUMEZ LES INTERRUPTEURS SUR LE RADIATEUR ET RÉGLEZ L'AUTRE À 100%.
eWELink-Smart Home
Étape 1
Téléchargez l'application eWeLink sur votre téléphone mobile ou votre tablette et créez un compte. Vous pouvez télécharger depuis Google Play ou l'App Store.
Sélectionnez eWELink-Smart Home pour télécharger et cliquez sur Ouvrir une fois le téléchargement terminé.
Remarque : bien qu'il y ait une note sur un coût d'abonnement annuel, il n'est pas nécessaire d'utiliser l'application. La fonctionnalité de l'application n'est pas affectée même sans abonnement.


Étape 2
Créez un compte avec eWeLink si vous n'en avez pas déjà un. Connectez eWeLink à l'appareil et à votre réseau.

Étape 3
Après avoir mis le disjoncteur du radiateur sous tension, appuyez sur l'interrupteur d'isolement ON pour mettre le commutateur WiFi sous tension et accéder au mode d'appairage Bluetooth lors de la première utilisation.

Étape 4
Sur votre téléphone ou votre tablette, appuyez sur « + » et sélectionnez l'appairage Bluetooth, puis suivez l'invite dans l'APP. Sélectionnez votre réseau WiFi domestique et entrez votre mot de passe. Puis enregistrez. Lorsque vous voyez « Appareil ajouté avec succès », cliquez sur Terminé.

Étape 5
Après avoir réussi à établir la connexion, vous verrez l'appareil WiFi dans la liste. Sélectionnez-le pour voir les différents modes de fonctionnement. Sélectionnez Interrupteur puis sélectionnez Mode de déclenchement externe et sélectionnez Mode Edge puis Enregistrer.

Étape 6
Après avoir cliqué sur Enregistrer, vous devriez voir les 2 commutateurs marqués Canal 1 et Canal 2. Le canal 1 allume/éteint l'un des éléments chauffants et le canal 2 contrôle l'autre élément chauffant ON/OFF. Pour éteindre le radiateur, appuyez sur le bouton d'isolement sur l'interrupteur mural sur OFF.
REMARQUE : Si vous connectez plusieurs radiateurs Heatscope, répétez les étapes 2–5 jusqu'à ce que tous les interrupteurs soient appairés.
